【회로 실무】저항(Resistor) 선정하는 방법
1. 저항 읽는 법 DIP타입은 저항의 띠 색상으로 저항 값을 확인할 수 있다. SMD타입은 표기하는 여러가지 방식이있다방식이 있다. ㄱ. 숫자 3개: 331 = 330Ω ㄴ. 숫자 4개: 3920 = 392Ω ㄷ. 숫자 중간에 R
terrypack.tistory.com
【회로 실무】TVS 다이오드 선정 방법
TVS 다이오드 TVS를 왜 넣어야하는가!EMS 내성시험을 진행하면서 전원회로의 DC/DC 컨버터가 손상되는 이슈가 있었다. 외부 시스템으로부터 24V가 입력되어,Fuse, TVS 다이오드와 캐패시터를 거친후 D
terrypack.tistory.com

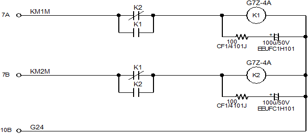
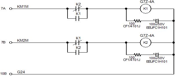
2중 모니터링
ISO 13849-1의 카테고리 3, PL = d 를 만족하는 안전 회로(이중화 회로) 구성
Power Relay를 활용한 Safety Function
* 컨트롤러의 Servo ON 신호를 입력받아 각 장치의 메인전원을 스위칭하는 역할
* 제품명: G7Z-4A-11Z-R
https://www.ia.omron.com/data_pdf/cat/g7z_j160-e1_4_1_csm1001495.pdf?id=1767
저항과 캐패시터(스너버회로)
* 스너버 회로: 과전압에 의한 릴레이 손상을 막기 위한 회로
* RC 부품이 내부에 함께 몰딩된 부품을 스파크 킬러라고 부름
* RC회로 연결방법
- DC 코일을 사용할 때, RC는 코일과 병렬로 연결할 것.
- AC 코일을 사용할 때, RC는 코일과 직렬로 연결할 것.
* 참고) AC 코일을 DC와 같이 병렬로 연결하면,
캐패시터 성분이 주파수에 대한 임피던스 성분을 갖게 되어 코일을 동작하지 않아도 회로가 동작할 수 있음.
다이오드
* 1N4002 (ON Semiconductor)


(원문 번역)
* 트랜지스터가 G7Z를 구동하면 누설 전류를 점검하고 필요한 경우 출혈 저항을 연결하십시오.
* 작동 전압이 작동하려면 릴레이 전기자의 최소값이며 연락처가 켜져 있습니다.
따라서 전압 변동 및 코일 온도 상승으로 인한 코일 저항의 증가를 고려하여 코일에 정격 전압을 근본적으로 적용하십시오.
* 코일이 꺼져있을 때 코일에 의해 생성 된 카운티 전압 전압은 반도체 소자를 파괴하거나 오작동을 일으킬 수 있습니다. 코일의 양단에 서지 흡수 다이오드를 대책으로 부착하십시오. 특히, 반도체 소자로 G7Z를 구동 할 때는 항상 서지 흡수 다이오드를 부착하십시오.
릴레이 리셋 시간은 확장되므로 실제 사용 조건에서 구현을 확인한 후에 항상 사용하십시오.
최소 600V 역 전압 저항 및 약 1A의 순방향 전류를 갖는 서지 흡수 다이오드를 사용하십시오.
G7Z는 코일 극성이 없으므로 극성이 코일의인가 된 전압과 반대되도록 서지 흡수 다이오드를 부착하십시오.
(추가 설명)
* 릴레이 코일을 제어하는 신호가 ON/OFF가 될 때, 코일의 전류 변화가 커지게 된다.
이러한 과도전류로 인해 릴레이 코일과 제어하는 TR이나 부품이 손상될 수 있다.-> 1N4002 onsemi 부품 사용
* 코일의 전원이 ON->OFF가 될 때, 300V이상의 전기가 흐를 수 있어 코일이 손상이 될 수 있다.
따라서 다이오드를 코일과 병렬로 연결하여 전류를 순환하게 해준다.
또한 다이오드의 극성을 코일의 전원과 반대로 연결한다.
위의 Datasheet와 같이 600V/1A의 순방향 다이오드를 선정하여 연결할 수 있도록 한다.
(Datasheet 참고)
'【회로 실무】부품 선정 방법' 카테고리의 다른 글
| 【회로 실무】저항(Resistor) 선정하는 방법 (설계TIP 포함) (1) | 2024.05.07 |
|---|---|
| 【회로 실무】오실레이터(Oscillator) 선정 방법 (0) | 2024.05.03 |
| 【회로 실무】TVS 다이오드 vs 제너 다이오드 (0) | 2024.05.03 |
| 【회로 실무】Comparator 비교기 선정 방법 (LM239, LM2901) (2) | 2022.11.22 |
| 【회로 실무】FAN 동작 Error 검출 회로 설계 - (2) (0) | 2022.11.21 |